IQ6FW - Sezione CISAR Majella

Cerca

Vai ai contenuti

Trasformare un alimentatore da 5A a 50A

Progetti

Se avete un alimentatore da 13,8 Volt e 5 Ampere di corrente massima è possibile trasformarlo in un ottimo alimentatore da 50 Ampere utilizzando ovviamente una batteria per auto da 50 Ampere/Ora.
In pratica il suddetto alimentatore verrà trasformato in un ottimo caricabatteria automatico con pochissimi componenti e con una spesa veramente irrisoria.


Note teoriche


E’ noto che per caricare correttamente una batteria al piombo la corrente massima di carica non deve superare 1/10 della sua corrente nominale. Nel caso di una batteria da 50 Ampere/ora la corrente massima di carica deve essere di 5 Ampere.
Non molti sanno che una batteria al piombo perfettamente carica dopo 2-3 mesi si scarica anche se non utilizzata. Per mantenerla sempre perfettamente carica essa ha bisogno di una ricarica costante con una corrente di circa 1/100 della corrente nominale.

Basta quindi realizzare un caricabatteria che sia in grado di erogare una corrente massima di 5 Ampere quando la batteria è completamente scarica e sia in grado di erogare una corrente di 0,5 Ampere quando essa è completamente carica.
In questo modo avete la possibilità di collegare alla batteria le radio di stazione che funzioneranno anche quando mancherà la corrente di rete senza preoccuparvi di ricaricarla ogni tanto.


Come precedere


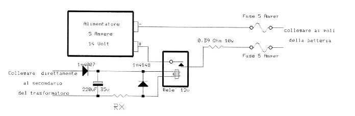
La prima cosa da fare e portare la tensione dell’alimentatore da 13,8 a 14 Volt, ritoccando il trimmer interno.

L’automatismo del circuito sta solo ed esclusivamente nella resistenza da 0,39 Ohm 10 Watt (in alternativa potete usare 10 resistenze da 3,9 Ohm 1 Watt collegate in parallelo).
Quando la batteria è carica la sua tensione è di 13,8 Volt, quindi la corrente di carica è di 0,5 Ampere.
Quando la batteria comincia a scaricarsi la corrente aumenta progressivamente fino a raggiungere i 5 Ampere quando la tensione della batteria è di 12,5 Volt.
Se collegate all’alimentatore una batteria quasi scarica la cui tensione è inferiore a 12,5 Volt, entrerà in funzione il limitatore di corrente che ogni buon alimentatore possiede e quindi la corrente non potrà superare i 5 Ampere e non correrete il rischio di danneggiare la batteria.

Il resto del circuito, costituito dal relè 12 Volt, dai diodi 1n4148 e 1n4007 dal condensatore elettrolitico da 220 uF 35 Volt e dalla resistenza Rx (il cui valore va trovato sperimentalmente), ha la funzione di impedire che, quando manca la corrente o l’alimentatore e spento, la batteria possa scaricarsi attraverso l’alimentatore e nel caso peggiore anche danneggiarlo.
Come si vede dal circuito la tensione per eccitare il relè va presa direttamente dal secondario del trasformatore del vostro alimentatore.
Potete omettere tutta questa parte del circuito (relè, diodi 1n4148 e1n4007, condensatore da 220 uF e resistenza Rx) se il vostro alimentatore riesce ad arrivare a 14,7 Volt. Infatti, in sostituzione di questa parte del circuito potete inserire un diodo da 6-7 Ampere (che come sapete introduce una caduta di tensione di 0,7 Volt). Accertatevi che il vostro alimentatore regolato a tale tensione riesca effettivamente ad erogare 5 ampere. In caso contrario, l’alimentatore potrebbe non ricaricare correttamente la batteria.


Come trovare il valore giusto della resistenza Rx


Il valore di Rx deve essere cercato per fare in modo che ai capi del diodo 1n4148 ci sia circa 12 Volt ( non ha importanza se non sarà esattamente 12 ; valori da 11 a 13 volt andranno ugualmente bene).
Il valore quindi dipende sia dalla tensione presente sul secondario, che dall’assorbimento del relè.
Conviene partire dal valore di 470 Ohm, riducendo questo valore se la tensione misurata è più bassa ed aumentandola se la tensione è più alta.

Se notate che nonostante avete trovato il valore giusto di Rx il relè vibra, significa che il condensatore elettrolitico da 220 uF va portato a 470 uF o addirittura a 1000 uF. Questo dipende dall’assorbimento del relè che risulta superiore al normale e quindi il condensatore elettrolitico non riesce a livellare bene la tensione rettificata dal diodo 1n4007.


Suggerimenti


Collegate il caricabatteria direttamente sui morsetti della batteria utilizzando dei cavi di almeno 2,5 mmq di sezione (cavi di sezione inferiore introdurrebbero una resistenza tale da non permettere una ricarica corretta della batteria).
Applicare tra la batteria e il caricabatteria 2 fusibili da 5 Ampere ciascuno, uno sul polo positivo e uno sul polo negativo (io ho utilizzato dei fusibili per auto che sono ottimi allo scopo).
Prelevate sempre l’alimentazione per le apparecchiature direttamente sui morsetti della batteria e interponete sempre 2 fusibili uno sul polo positivo e uno sul negativo di amperaggio adeguato all’assorbimento dell’apparecchiatura. Questo piccolo accorgimento vi permetterà di salvare le apparecchiature in caso di corto circuiti o inversioni di polarità.

Con questa soluzione quindi avete realizzato un alimentatore protetto anche da sovratensione poiché la batteria funge da grosso condensatore.

La spesa per realizzare il tutto è veramente irrisoria specialmente se riuscite a reperire una batteria usata ancora in buone condizioni.

Buon divertimento
Lorenzo iw6ocm





Torna ai contenuti | Torna al menu